Adding Condensate Safety Controls to Fujitsu VRF Units
To integrate condensate safety controls into a Fujitsu VRF unit, a connector is required to interface with the "Float SW" terminal on the unit. This will trigger an error code 53 during a condensate event. The necessary part is the K9702290016 connector. Additionally, you will need to use a condensate device with a Normally Open (N.O.) terminal, such as the Refco condensate pumps, to complete the setup.
3rd Party Condensate Shutdown For Fujitsu VRF Units with Suffix( TLAV, TLAV1, TLAV2)
This Bulletin provides explanation of, and field instruction for, using an external input for shutdown of an indoor unit upon a condensate overflow event. For complete I/O use and function, please refer to the applicable Indoor Unit Installation Manual and Design and Technical Manual, D&T.
Items required: (See also 2. Control Circuitry)
-
Fujitsu accessory part # K9702290016
-
3rd party condensate device- Must provide NO (Normally Open) dry contact
1. External input description
-
Airstage indoor units provide an external input function that can be used to shut down the indoor unit and drive the EEV closed upon a condensate overflow when connected to a 3rd party condensate device. Condensate devices may include, but are not limited to:
-
Condensate pump
-
Auxiliary drain pan sensor or switch
-
Drain sensor
-
Control circuitry- The 3rd party condensate device is wired as an external input to the Airstage indoor unit control board, labeled as “FLOAT SW”. The 3rd party condensate device must be equipped with a set of NO (Normally Open) dry contacts, also referred to as “alarm” contacts.
-
Fujitsu accessory- An external input accessory wiring harness is required:
-
K9702290016
-
Control signal- The 3rd party condensate device NO contacts are wired as an external input to the indoor unit connector labeled, “FLOAT SW”, (CNA5).
-
External input “FLOAT SW” sequence of operation- The Airstage indoor unit operates normally until a condensate overflow is detected by the 3rd party condensate device. When the device normally OPEN contacts close, the indoor unit is turned OFF, and EEV is driven to the fully closed (45P) position to prevent refrigerant flow into the indoor unit coil.
-
Indoor unit will resume operation when both conditions are met:
-
Condensate device contacts OPEN
|
FLAOT SW Input signal |
Unit Operation |
|
OPEN |
ON |
|
CLOSED |
OFF |
-
Indoor unit line voltage is powered OFF, then back ON.
-
Alarm notification- Upon condensate device contact closure, a “53” series error code is generated.
-
Remote control- Notification is displayed at the remote control screen; access to error notifications may vary depending upon remote control type.
-
Other control accessories- Error code 53 is also displayed at applicable Fujitsu controllers (Touch Panel Control, etc.) and within Service Tool.
-
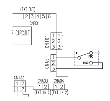
3rd party condensate device control wiring- See Fig. 1, page 3.
-
Connect Fujitsu accessory K9702290016 to indoor unit control board “FLOAT SW” connector CNA5
-
(CN* number may vary upon unit model number)
-
Wire the condensate device NORMALLY OPEN contacts to indoor unit “FLOAT SW” connector CNA5 pins 1 and 3.
-
Wiring notes:
-
Use 22 AWG twisted pair wiring from the indoor unit to the DC relay (“Fujitsu Pink” Honeywell Catalog # 3254 acceptable)
-
Cable maximum length from indoor unit to relay: 492’ (150m)
-
Keep twisted pair wiring separate from line voltage wiring
-
All accessory K9702290016 connections should be soldered and insulated or made with butt type crimp connectors.
-

Wire nuts are not permitted
![]()


-
Function codes- An indoor unit function code change is not required.
-
Additional notes:
-
Fujitsu General America is not liable for I/O control circuit design.
-
When a ducted indoor unit is installed over a finished ceiling, a field supplied auxiliary drain pan is recommended.
-
Not applicable to models which have a factor installed “safety” drain pan.
-
Additional indoor unit control option references:
|
Indoor Unit Function |
Service Bulletin |
|
Auxiliary Heat Control |
S026a |
|
3rd Party Condensate Pump Shutdown |
S026b |
|
Occupancy Sensor Control |
S026c |
|
Proximity Sensor Control |
S026d |
|
Smoke Detector / Emergency Stop Control |
S026e |
|
ERV / HRV / Fresh Air Interlock |
S026f |
|
Indoor Unit External Error Notification |
S026g |
|
Application Engineering Bulletin |
AE Bulletin |
|
I/O External Input and Output Use |
AE026 |
Please contact your local Airstage Distributor or Fujitsu General America Incorporated for technical assistance:
FGAI Technical Support- (866) 952-8324 8:00 a.m. – 8:00 p.m. EST, Monday - Friday

