WHITE RODGERS THREE WIRE ZONE VALVES
Many a good man has been confused by the White Rodgers three-wire zone valve. All of them have model numbers that begin with 1311-10(2)(3)(4) 102 is ¾”, 103 is 1 inch, 104 is 1-1/4”. If the first digits are, 1361 it is a valve with two-wire control and we are not discussing it in this article.
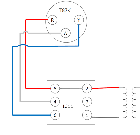
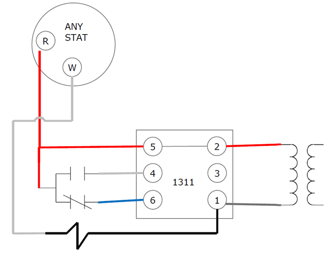
The 3-wire valve refers to three wire control these valves have five wires or maybe six if the end switch is used. Terminal one (1) is the transformer common. Terminal two (2) is the transformer HOT. Terminal three (3) is the end switch output. Terminal four (4) powers the valve open. Terminal five (5) is internally connected to terminal two (2) and is the 24v power to R on the thermostat. Terminal six (6) powers the valve closed. When the valve is open terminal three (3) connects to terminal two (2). Terminals one (1) and three (3) can power an auxiliary load like a relay. Multiple valves can have their end switches wired together. For that, it is best to have the installation instructions in hand.





Having said that, now we need a thermostat. White Rodgers or Emerson has a few models with a terminal 6. Honeywell has a few that are suitable for series 20 wiring. If we deploy a RIBU1C relay any thermostat can do the job.
Here are a few wiring diagrams also for 3 wire zone valves:


Dallas Strong
Johnstone Supply
Key Takeaways: White Rodgers Three-Wire Zone Valves
✅ Identifying the Valve Type:
-
White Rodgers 3-wire zone valves have model numbers starting with 1311-10(2)(3)(4).
-
102 = ¾” valve
-
103 = 1” valve
-
104 = 1¼” valve
-
-
Valves starting with 1361 are 2-wire control valves and are not covered in this article.
✅ Wire Functions:
-
Terminal 1 = Transformer common
-
Terminal 2 = Transformer HOT
-
Terminal 3 = End switch output (connects to Terminal 2 when the valve is open)
-
Terminal 4 = Powers the valve open
-
Terminal 5 = Internally connected to Terminal 2; provides 24V power to R on the thermostat
-
Terminal 6 = Powers the valve closed
✅ End Switch Usage:
-
Terminal 3 can power an auxiliary load (e.g., relay).
-
Multiple valves can have their end switches wired together — installation instructions are recommended for this setup.
✅ Thermostat Compatibility:
-
White Rodgers/Emerson offers thermostats with a Terminal 6 for direct compatibility.
-
Honeywell thermostats suitable for Series 20 wiring are also an option.
-
For added flexibility, a RIBU1C relay allows any thermostat to control the system.
✅ Additional Resources:
-
Wiring diagrams for:
-
3-wire zone valve with a T87K thermostat
-
3-wire zone valve with any thermostat
-
By understanding these key points, technicians can confidently wire and troubleshoot White Rodgers 3-wire zone valves for reliable heating system control.

